公司介绍
董事长致辞
领导团队
企业荣誉
领导关怀
德赢vwin8868官网风貌
新闻中心
公司公告
公司新闻
媒体看德赢vwin8868官网
行业新闻
政策法规
党建工会
党委
工委
德赢vwin8868官网文化
文化理念
德赢vwin8868官网之歌
营销中心
棒材
钢坯
线材
盘螺
产品认证
客户留言
客户留言
联系我们
联系我们
招聘信息
电商平台
首页
公司介绍
公司概况
董事长致辞
领导团队
企业荣誉
领导关怀
德赢vwin8868官网风貌
新闻中心
公司公告
公司新闻
媒体看德赢vwin8868官网
行业新闻
政策法规
党建工会
党委
工会
德赢vwin8868官网文化
文化理念
德赢vwin8868官网之歌
营销中心
棒材
钢坯
线材
盘螺
产品认证
客户留言
联系我们
联系我们
招聘信息
电商平台
公司介绍
公司概况
董事长致辞
领导团队
企业荣誉
领导关怀
德赢vwin8868官网风貌
新闻中心
公司公告
公司新闻
媒体看德赢vwin8868官网
行业新闻
政策法规
党建工会
党委
工委
德赢vwin8868官网文化
文化理念
德赢vwin8868官网之歌
营销中心
棒材
钢坯
线材
盘螺
产品认证
客户留言
客户留言
联系我们
联系我们
招聘信息
电商平台
新闻中心
首页
新闻中心
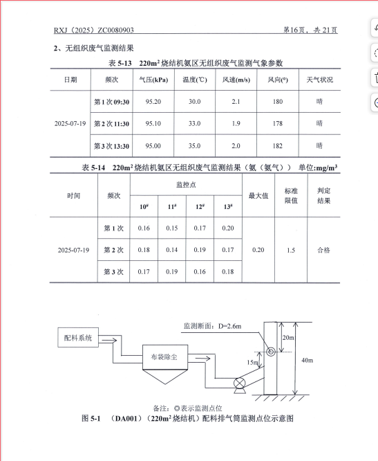
第3季度污染物监测结果
第3季度污染物监测结果
时间:
2025-10-22
污染物年测监测结果
第3季度污染物监测结果
400-635-6661(售后投诉)
sxhdjt@163.com